< img src="https://mc.yandex.ru/watch/96287739" style="position:absolute; left:-9999px;" alt="" />

Rexroth A2VK Axial Piston Variable Pump

Related products

03
A3H Yuken Piston Pump
PZ piston pump(2)
Nachi PZ PZS Piston Pump
PVXS PISTON PUMP (5)
Eaton Vickers PVXS Series Open Loop Piston Pump
pve Vickers piston pump (3)
Vickers PVE Hydraulic Piston Pump
parker pv piston pump(1)
Open Circuit Parker PV Piston Pump
A15VSO Piston pump(1)
A15VSO A15VLO Piston Hydraulic Pumps
a11vo piston pump (3)
A11VLO Hydraulic Piston Pump
a22vg piston pump (1)
Rexroth A22VG Piston Pump
A10VSO100DFR1-31R-PSC12K07 (1)
Rexroth A10VSO Hydraulic Piston Pump
AL A4VSO 40 HS410R PZB25N00-S2618 (1)
Rexroth A4VSO Piston Pump

Contact Us

Rexroth A2VK Axial Piston Variable Pump

Size 12 to 107
Series 1 and 4
Nominal pressure:250 bar
Maximum pressure:315 bar
Version for pumping plastic components

Features

– Rexroth A2VK axial variable piston pumpVariable axial piston pump for pumping and metering polyurethane components
– High metering accuracy and good repeatability of variable pumping volumes
– Reliable manual adjustment via handwheel with integrated precision measuring scale
– Operating pressure up to 250 bar
– Low pulsation of the pumped media with the Rexroth A2VK
– Due to the special pairing of materials and sealing elements, the pump components are compatible with the pumped media (polyols, isocyanates)
– Low noise
– Excellent volumetric efficiency with high metering accuracy
– Double shaft seal with buffer fluid port for safe operation (and protection of the environment)
– With corrosion protection

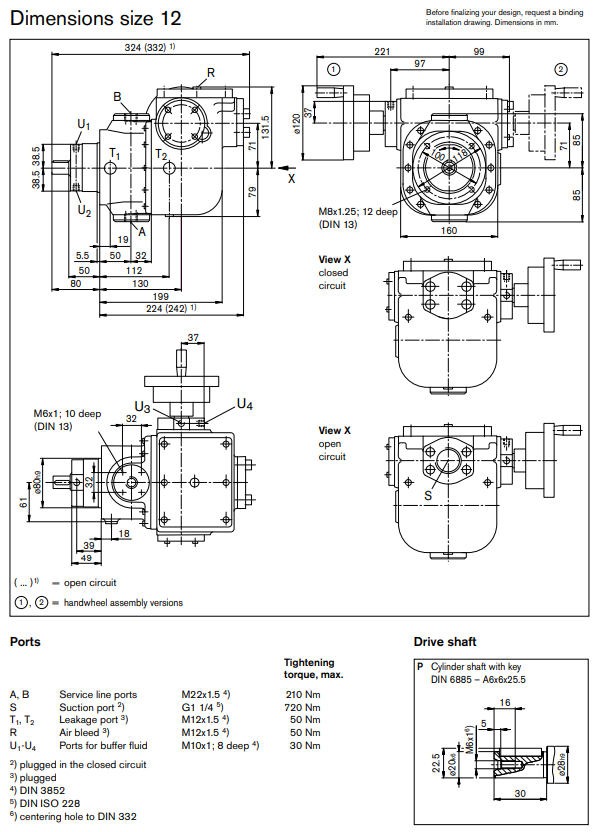
Rexroth A2VK Axial Piston Variable Pump Dimension

A2VK PUMP

Parameter

A2VK Piston Pump Series:A2VK12,A2VK28,A2VK55,A2VK107

REXROTH A2VK

Order Code

A2VK Piston Pump

Rexroth A2VK Axial Piston Variable Pump

Size 12 to 107 Series 1 and 4 Nominal pressure:250 bar Maximum pressure:315 bar Version for pumping plastic components

Features

– Rexroth A2VK axial variable piston pumpVariable axial piston pump for pumping and metering polyurethane components
– High metering accuracy and good repeatability of variable pumping volumes
– Reliable manual adjustment via handwheel with integrated precision measuring scale
– Operating pressure up to 250 bar
– Low pulsation of the pumped media with the Rexroth A2VK
– Due to the special pairing of materials and sealing elements, the pump components are compatible with the pumped media (polyols, isocyanates)
– Low noise
– Excellent volumetric efficiency with high metering accuracy
– Double shaft seal with buffer fluid port for safe operation (and protection of the environment)
– With corrosion protection

Rexroth A2VK Axial Piston Variable Pump Dimension

A2VK PUMP

Parameter

A2VK Piston Pump Series:A2VK12,A2VK28,A2VK55,A2VK107

REXROTH A2VK

Order Code

A2VK Piston Pump

Related products

yuken ar piston pump
Yuken AR AR16 AR22 Piston Pump
PZ piston pump(2)
Nachi PZ PZS Piston Pump
pve Vickers piston pump (3)
Vickers PVE Hydraulic Piston Pump
PVB PISTON PUMP(6)
PFB PVB Vickers Piston Pump
parker pv piston pump(1)
Open Circuit Parker PV Piston Pump
A15VSO Piston pump(1)
A15VSO A15VLO Piston Hydraulic Pumps
a1vo piston pump (1)
Rexroth A1VO Piston Pump A1VO18 A1VO28 A1VO35
a11vo piston pump (3)
A11VLO Hydraulic Piston Pump
a2fo (1)
Rexroth A2F Hydraulic Pump Hydraulic Motor
rexroth a7vo (3)
Rexroth A7VO Axial Piston Pump

Contact Us

POOCCA

Welcome to contact us using WeChat

POOCCA

Welcome to contact us by email

POOCCA

Welcome to contact us via whatsapp